首页
产品中心
关于我们
服务中心
行业案例
新闻资讯
联系我们
VR观企
简体中文
简体中文
English
产品中心
PRODUCT CENTER
首页
/
产品中心
/
杭州美仪
/
分析仪表系列
/
污泥浓度计
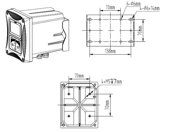
MIK-PSS200 在线式污泥浓度计
产品概览
产品概览
400-668-6598